台 州 学 院
机 械 工 程 学 院
《液压与气压传动》实验指导书
丁叙生 倪君辉 王金芳
2013.09
实验一 多缸动作回路实验
一、实验目的和要求
按照给定的多缸工作回路液压原理图或自主搭建一个双缸的工作回路,利用综合液压实验台进行组装、调试,实现预期的动作要求。
巩固课堂教学所学基本回路的知识。
二、实验原理
多缸动作回路实验工作原理如图1所示。

图1 采用顺序阀控制的多缸动作回路原理图
液压缸动作顺序如下:
1、1YA得电时,换向阀5行使左位功能,液压缸1活塞杆先向伸出至尽头,顺序阀3打开,液压缸2活塞杆后伸出至尽头;
2、1YA断电,换向阀5行使右位功能,此时液压缸2活塞杆先回缩至底部,然后顺序阀4打开,液压缸1活塞杆回缩。
三、实验仪器
SJX液压综合实验台。
四、实验内容
1、按照工作原理图,在可拆装液压回路实验台上进行安装、接通系统回路并调试系统工作。
2、根据课本内容自行设计其它顺序动作控制回路。
五、实验报告
1、写出实验目的、实验设备;
2、画出多缸动作回路液压原理图并说明其工作原理;
3、多缸动作回路组装、调试状况记录:回路组装、调试能否达到预期效果?如与预期效果有差别,分析其原因。
实验二 液压系统(或回路)设计、组装及调试实验
一、实验目的和要求
1. 按照给定的命题或自主设计一个液压系统(或有两个以上的基本回路),并自主在液压综合实验台上进行组装、调试,实现预期的设计要求。
2. 通过对所设计的液压系统进行组装、调试,进而排除故障,培养学生的设计能力和应用能力,特别是排除故障的过程中,培养学生分析问题和解决问题的能力。
二、实验原理
注:本实验有两个命题,学生任意选作其一。
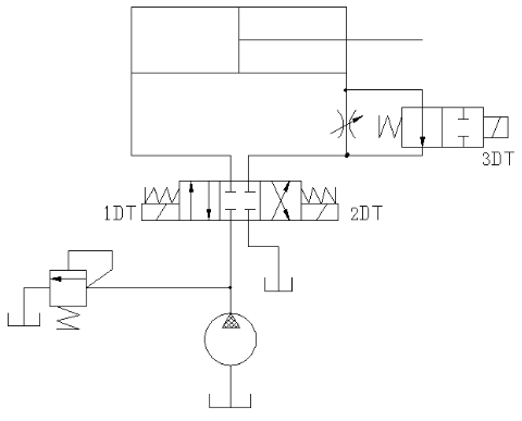
命题1. 液压系统能完成:快进——工进——快退——原位停止的工作循环。要求:工作循环自动执行,采用油缸为执行元件,工进速度可调,工进过程中存在与运动方向相同的负载力,工进运动平稳性好。
命题1液压系统原理如图2所示。
图2 命题1液压系统原理图
命题1回路电磁铁顺序动作表如下:
|
1DT |
2DT |
3DT |
快进 |
+ |
— |
— |
工进 |
+ |
— |
+ |
快退 |
— |
+ |
+ |
原位停止 |
— |
— |
—(+) |
命题2. 液压系统能完成:双油缸液压系统,缸Ⅰ实现:快进——I工进——II工进——快退——原位停止的工作循环,并要求快进时采用差动连接。
命题2液压系统原理和电磁铁动作顺序如图3所示。
图3 命题2液压系统工作原理及电磁铁动作顺
三、实验仪器
SJX液压综合实验台。
四、实验内容
1)按照工作原理图,在可拆装液压回路实验台上进行安装、接通系统回路并调试系统工作。
2)根据课本内容自行设计其它顺序动作控制回路。
五、实验报告
1)写出实验目的、实验设备;
2)画出液压系统工作原理图并说明其工作要求和工作原理;
3)多缸动作回路组装、调试状况记录:回路组装、调试能否达到预期效果?如与预期效果有差别,分析其原因。